7:30 - 16:00 (мск)
Сб-Вс: Выходные
г. Самара, Московское шоссе 18км Территория Завода Приборных Подшипников
Контактная информация
7:30 - 16:00 (мск)
Сб-Вс: Выходные
г. Самара, Московское шоссе 18км Территория Завода Приборных Подшипников
Описание
Характеристики
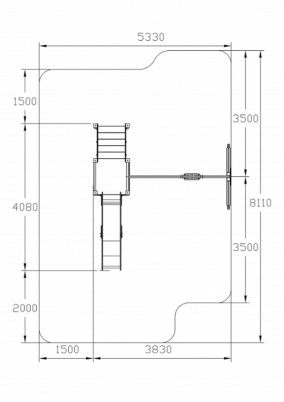
Детский игровой комплекс Счастливое детство (Город) ДИК 2.01.03-01 H=1200
| № |
Наименование |
Описание |
Кол-во |
Единица измерения |
|
1 |
Башня |
выполнена из четырёх клеёных брусьев 100х100 мм высота 2500 мм пол из ламинированной фанеры, с антискользящим покрытием 1000х1000 мм, толщиной 18 мм кромки фанеры тщательно шлифованы. Ограждение башни двух видов - из влагостойкой фанеры и ограждающая перекладина из стальной трубы. Ограждение из влагостойкой фанеры толщиной 18 мм, крепятся к опорному брусу при помощи пластиковых уголков. Ограждение окрашено при помощи UF-принтера. Принт - в стиле Мультяшный город.Отметка пола башни от планировочной отм площадки 1200 мм |
комплект |
|
|
2 |
Горка |
Скат горки шириной 530 мм, выполнен из нержавеющей стали t=1,5 мм, - цельного листа, борта выполнены из влагостойкой фанеры толщиной 24 мм, кромки фанеры тщательно шлифованы, борта окрашены при помощи УФ печати, принт - в стиле «Мультяшный город»- основной цвет принта серый с вкраплениями оранжевых кирпичей. Соединительный элемент - оранжевый. Ограждения стартового участка горки - оранжевый - принт имитирует кирпичную стену с арочным окном. Опорный каркас горки выполнен из профиля 40х25 и труб диаметром 32 мм (металл имеет плавные радиусы и тщательную обработку швов, покрыт порошковой краской) Размер горки в плане 530х2270х1200 (h) |
комплект |
|
|
3 |
Скалолаз |
Скалолаз состоит из щита из влагостойкой фанеры, толщиной 18 мм, размер 1000х800 мм, с прорезями. Окрашен с нанесением принта в стиле Город, принт - зеленая стена с кирпичными вставками |
комплект |
|
|
4 |
Качели одноместные на цепях |
Качели выполнены из двух клеёных брусьев 100х100 мм высота 2200 мм и из металлической сварной подвески из трубы диаметром 42 мм (800х2880 мм ), металл имеет плавные радиусы и тщательную обработку швов, покрыт порошковой краской в графитово-серый цвет.Сиденье для детских качелей BASIC (" Бейсик»). Габаритный размер -440х175х25 мм. изделие состоит из алюминиевой пластины, сверху покрытой термоэластопластом. За счёт металлической закладной сиденье отличается прочностью и выдерживает повышенные нагрузки. изделие имеет анти-скользящую поверхность. Цепь: коротко звеньевая, некалиброванного класса, прочность металла Т (8), диаметр сечения звена цепи 6 мм. Цепи соединены в единый подвес наконечником для крепления к перекладине качели. Наконечник выполнен из профиля 30х30 мм, втулки и подшипника. Наконечник окрашен в красный цвет. Цепь защищена кембриком на всю длину |
комплект |
|
|
5 |
Лестница |
Лестница состоит из бортов, выполненных из фанеры влагостойкой толщиной 24 мм, и пяти ступенек, выполненных из ламинированной антискользящей фанеры, толщиной 18 мм, ширина ступней 780 мм. Пространство между ступенями закрыто экранами из влагостойкой фанеры толщиной 18 мм, между ступенью и экраном имеется щель для слива дождевой воды. Ступени и экраны вставляются в пазы бортов лестницы. Борта стягиваются шпильками М10. Лестница поставляется в собранном виде.Борта окрашены в стиле Город- принт- серая стена из камня с кирпичными вставками |
комплект |
|
|
6 |
Перила лестницы |
выполнены влагостойкой фанеры толщиной 24 мм. В комплекте 2 шт. перил |
комплект |
Артикул
ДИК 2.01.03-01
Артикул (старый)
ДИК 06.1
Серия
Принт
Вид оборудования
Габариты (ШхДхВ)
4080x3830x2500
Зона безопасности, мм
8110х5330
Высота падения, мм
1200
Вес, кг
230,00
Скат горки
H=1200 (металлический скат)
Возрастные ограничения
от 5 до 12 лет, весом не более 70 кг
Фильтр по возрасту
Официальная гарантия
Гарантийный срок на изделия от 12 месяцев
Сертификат
RU №0208095 №: RU C-RU.AE83.B.00092/20 Сертификат соответствия (Детские игровые комплексы)
| ✅ | Входим в реестр российской промышленной продукции |
|
|
Важно: Обращаем Ваше внимание, что мы постоянно стремимся улучшать качество выпускаемой продукции, для чего периодически можем вносить изменения в конструкцию, дизайн и комплектацию товаров и упаковки на основании собственных инновационных разработок и отзывов пользователей без дополнительного уведомления. Данные изменения принципиально не влияют на первоначально заявленные функциональные свойства. Вследствие этого, технические характеристики, вес и размеры могут незначительно отличаться. |
|
|
Соответствие стандартам: Оборудование изготовлено по чертежам и техническим условиям изготовителя и соответствует требованиям ТР ЕАЭС 042/2017. - Детское игровое оборудование спроектировано и изготовлено согласно межгосударственному стандарту, а именно ГОСТ34614.1-2019, ГОСТ34614.2-2019, ГОСТ34614.3-2019, ГОСТ34614.5-2019, ГОСТ34614.6-2019. - Уличные тренажеры спроектированы и изготовлены по ГОСТ Р 55678-2013, ГОСТ Р 57538-2017. - Спортивное оборудование, спортивные комплексы, воркаут и многофункциональные комплексы спроектированы и изготовлены по ГОСТ Р 55677-2013. |
|
|
Паспорт на изделие: на русском языке, согласно ГОСТ34614.1-2019, раздел 6. |
|
|
Гарантийный срок на изделия: 12 месяцев |
Рекомендуемые товары
производство современного оборудования
для парков, игровых и спортивных площадок
|
ООО «ПРОГРЕСС БЛАГОУСТРОЙСТВА». Официальный производитель товарного знака СКИФ ПРО ®. Информация на данном интернет-сайте носит исключительно информационный (ознакомительный) характер и ни при каких условиях не является публичной офертой, определяемой положениями Статьи 437 Гражданского кодекса РФ. Для получения исчерпывающей информации о стоимости и характеристиках товаров обращайтесь по телефонам на сайте. Автоматизированный сбор информации с сайта и любое использование контента, а так же без письменного разрешения администрации сайта запрещено. © 2025. Все права защищены. |